
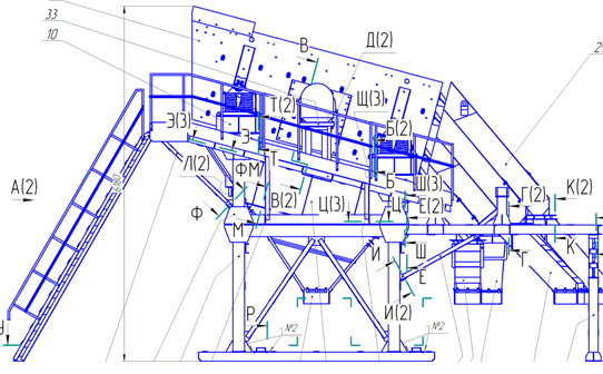
Агрегат сортировки с грохотом ГИС-44 состоит из сварной рамы на полозьях, площадок обслуживания, лестницы для входа на площадки обслуживания и грохота, установленного на тумбах, крепящихся к раме. Под грохотом на раме установлен бункер, а в конце короба грохота – лоток нижний и лоток верхний для отвода рассортированного по фракциям материала.
Размер просеивающей поверхности 1520х4000мм. Количество ярусов сит 4. Производительность до 150 м3/час. Размеры ячеек сит по заказу. Электродвигатель 11 кВт.
Габаритные размеры 8080х4025х4855мм. Масса 11,2 т.
Дата последнего изменения: 08.08.2016
Дата размещения объявления: 08.08.2016
Показать все объявления от НПП Обуховская промышленная компания
Название фирмы: НПП Обуховская промышленная компания Контактное лицо: Елена Александровна E-Mail: Отправить письмо на E-Mail автора объявления
Телефоны фирмы: +7(831) 295-50-61
Адрес продавца:
Россия Нижний Новгород Сайт: http://www.dromash.ru
Адрес товара/услуги: Россия Нижний Новгород
Раздел ТНВЭД:
Код ТНВЭД: 8474100000 | Другие объявления в этом разделе
|
|
|
|